Отправить заявку
в WhatsApp

Клапан обратный осесимметричный

Под заказ
Размеры, NPS: 2" - 48"
Размеры, DN: 50 - 1200 
Давление: Class 150 - 2500
Стандарты: API 594, ASME B16.34, API 6D
  • Описание
  • Характеристики
  • Оплата и доставка

Клапан обратный осесимметричный или обратный осевой – это тип обратного клапана, который предназначен для перекрытия движения рабочей среды по трубопроводной линии. Основная функция обратного клапана – оперативное реагирование на изменение направления движения рабочей среды с целью предотвращения обратного потока. Осесимметричный клапан позволяет минимизировать сопротивление потоку и уменьшить гидравлические удары, что делает его оптимальным выбором для широкого спектра промышленных систем. В отличие от стандартных обратных клапанов, где поток направляется через кривые каналы или повороты, осесимметричные клапаны обеспечивают прямолинейный поток среды вдоль оси.

Конструкция осесимметричного клапана состоит из корпуса, который симметричен относительно оси трубопровода, запорного элемента в форме диска, который перемещается вдоль оси, открывая и закрывая поток, седла, представляющего собой поверхность, к которой прижимается затвор при опускании. Некоторые модели обратного клапана могут быть оснащены пружиной, которая ускоряет закрытие клапана при изменении направления потока.

Принцип действия осесимметричного запорного клапана: когда рабочая среда движется в правильном направлении, давление потока удерживает запорный элемент поднятым. При попытке обратного движения среды запорный элемент автоматически возвращается в закрытое положение, герметично блокируя обратный поток. Осесимметричная конструкция клапана обеспечивает равномерное распределение давления по окружности запорного элемента, что способствует быстрому перекрытию.

Клапан осесимметричный наиболее востребован в высокопроизводительных системах, где важно уменьшение гидравлического сопротивления и предотвращение обратного течения, например:

  • промышленные системы с высоким давлением и высокой скоростью потока, где требуется защита от обратного тока и минимальное сопротивление;
  • трубопроводы с высокой турбулентностью, так как равномерно распределяют давление и предотвращают износ;
  • системы водоснабжения и насосные станции, так как снижают вероятность гидравлических ударов.

Применение обратных осесимметричных клапанов:

  • химическая, нефтегазовая, нефтехимическая отрасль;
  • морская отрасль, судостроение;
  • водоснабжение, отвод сточных жидкостей;
  • пищевая и фармацевтическая отрасль;
  • целлюлозно-бумажное производство, металлургия;
  • гидро- и теплоэнергетика, атомная отрасль и пр.

Где купить обратный клапан осесимметричный в Казахстане?

Купить клапан осесимметричный напрямую от производителя можно в компании "ЕМК - QAZAQ". Заказать запорные клапаны в Казахстане по выгодной цене можно через форму онлайн-заказа, заявкой на почту или по телефону.


Рабочая температура От -60° до 500°
Материалы диска Чугун, ковкий чугун, углеродистая сталь, нержавеющая сталь, никель-алюминиевая бронза и т.д.
Материалы седла Материал обшивки - металл по металлу в соответствии с API 600
Материалы корпуса Чугун, ковкий чугун, углеродистая сталь, нержавеющая сталь, никель-алюминиевая бронза и т.д.
Материал штифта
Нержавеющая сталь
Фланцевое сверление ASME B16.5, EN 1092-1, ГОСТ 33259
Концевое соединение Фланцевое
Управление Автоматическое
Стандарт испытания API 598, EN 12266-1, ISO 5208
Сертификаты CE, EAC, SIL3, API 607, ISO 19001, API 6D
Применение Энергетика, горнодобывающая промышленность, целлюлозно-бумажная промышленность, цемент, технический углерод, химическая промышленность, сточные воды

клапан обратный осесимметричный 1.jpg

Наименование детали

Материал
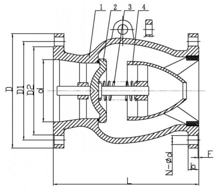
 1 Корпус ASTM A995 Gr. 5A
 2 Диск ASTM A995 Gr. 5A
 3 Пружина INCONEL X750
 4 Крышка направляющей ASTM A995 Gr. 5A


«ЕМК - QAZAQ» напрямую сотрудничает с производителями и гарантирует качество поставляемого проката и его соответствие нормам регламентирующего стандарта.

Мы рады предложить вам следующие условия оплаты вашего заказа:

  • предоплата. Полная оплата должна быть завершена до начала производства/поставки;

  • оплата по факту поставки: Сумма заказа должна быть оплачена в течение определенного срока, заключенного в договоре между двумя сторонами, после фактической поставки товаров/оказания услуг;

  • отсроченная оплата. Мы предоставляем вам возможность отсрочки оплаты на срок, заключенный в договоре между двумя сторонами, после даты выставления счета;

  • аккредитив. Мы готовы принять оплату через банковский аккредитив по условиям, согласованным сторонами.

На сегодняшний день наша компания реализует следующие способы транспортировки:

  • автоперевозки (тентованные фуры, негабаритные платформы, телескопические платформы, трубовоз, пирамиды);

  • железнодорожная доставка (контейнеры 20’,40’,45’ DC, HQ, платформы для негабаритных по ширине и длине грузов, вагоны разных типов;

  • морские перевозки (контейнеры 20’,40’,45’ DC, HQ, OT, балком на судне);
  • авиаперелеты. Доставка регулярными и чартерными рейсами (генеральные, попутные, сборные отправки).

Преимущества нашей логистики

  • Отгрузка металлопроката круглый год вне зависимости от погодных условий
  • Защита материалов от воздействиям окружающей среды
  • Удобное расположение складов и мест хранения
  • Получите коммерческое предложение со стоимостью и сроками

    Звоните +7 (727) 339-57-48 или оставьте заявку и мы перезвоним Вам!

    Коммерческое предложение

    Заказать звонок

    Укажите свой контактный телефон, и мы перезвоним вам!

    Отправить заявку
    Прикрепить свои файлы