Отправить заявку
в WhatsApp

Клапан регулирующий поворотный

Под заказ
Размеры, NPS: 1" - 18"
Размеры, DN: 25 - 450 
Давление: Class 150 - 300
Стандарт: ANSI/ISA S75.04, IEC 60534, 
EN 1349, API 609, ASME B16.34
  • Описание
  • Характеристики
  • Оплата и доставка

Поворотный регулирующий клапан – тип трубопроводной арматуры для управления потоком рабочей среды в трубопроводе, регулирования ее расхода и температуры.

Конструкция и принцип работы

Основными компонентами поворотного регулирующего клапана являются корпус, поворотный затвор (плунжер), поворачивающийся вокруг горизонтальной оси, седло и приводной механизм. При повороте запорного элемента изменяется площадь проходного отверстия, что позволяет точно регулировать объем поступающей среды. Поворотом на 90 градусов клапан полностью открывает или перекрывает движение транспортируемого вещества.

Преимущества регулирующего поворотного клапана:

  • компактность, удобство установки в условиях ограниченного пространства;

  • высокая скорость срабатывания;

  • низкое гидравлическое сопротивление;

  • простота и надежность конструкции, стойкость к износу;

  • низкая склонность к засорению через уплотнение штока;

  • широкий диапазон рабочих сред – клапан регулирующий поворотный подходит для работы с жидкостями, газами и паром в различных технологических процессах;

  • простота автоматизации – устройство легко оборудуется пневматическим, электрическим или гидравлическим приводом для интеграции в автоматизированные системы управления.

Ограничения и особенности

В системах, где требуется высокая степень герметичности в закрытом состоянии, такие клапаны могут быть менее эффективны из-за конструктивных особенностей запорного элемента. Кроме того, в условиях высоких температур и давлений необходимо тщательно подбирать материалы изготовления, чтобы избежать деформации и обеспечить долговечность устройства.

Области применения

Поворотные регулирующие клапаны применяются для управления потоками газов, жидкостей и пара в промышленных системах. В нефтегазовой сфере они регулируют давление в магистралях. Химические производства используют их для дозирования химических компонентов. В энергетике такие клапаны обеспечивают подачу пара и воды к турбинам. В водоснабжении они поддерживают стабильные потоки, а в пищевой и фармацевтической промышленности — строгое соблюдение санитарных норм при работе с ингредиентами. В системах вентиляции и отопления клапаны управляют потоками воздуха и теплоносителя, обеспечивая точность регулировки. Надежность и эффективность делают их важным элементом технологических процессов.

Где купить клапан регулирующий поворотный в Казахстане

ЕМК QAZAQ выполняет комплексные поставки импортного металлопроката и трубопроводной арматуры в Республику Казахстан. У нас вы можете заказать и купить клапан поворотный регулирующий, соответствующий IEC, ANSI/ISA, EN, API, ASME с доставкой напрямую от изготовителя.

Температурный диапазон От -46°C до + 450°C
Материал корпуса Углеродистая сталь, нержавеющая сталь
Материал пробки Нержавеющая сталь
Материал седла Нержавеющая сталь
Тип соединения Фланцевое, сэндвич
Характеристики потока Линейный
Класс текучести по IEC 60534-4
  • class IV
  • class VI
Привод Пневматический (мембранный, поршневой), электрогидравлический, электрический, гидравлический

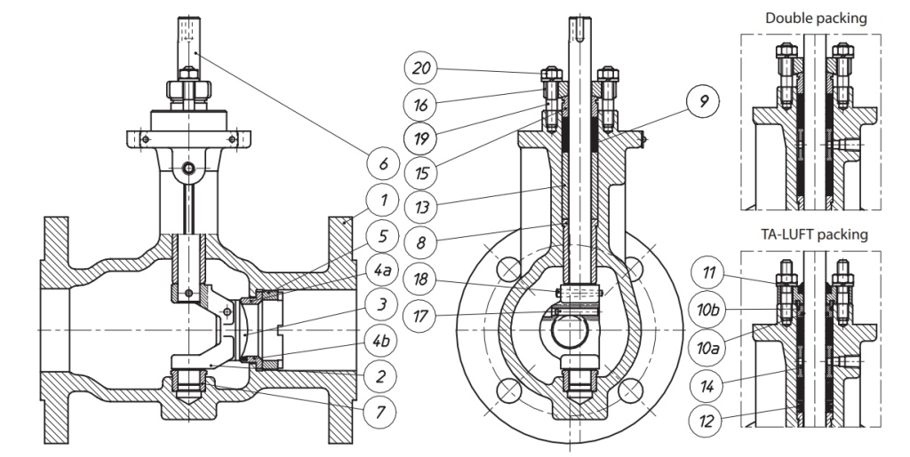
клапан регулирующий поворотный чертеж.jpg

Наименование детали Материал
1 Корпус GP 240 GH; (1.0619); WCB; GX5 Cr Ni Mo 19-11-2; (1.4408); CF8M
2 Мостик
3 Заглушка X6CrNiMoTi 17-12-2 (1.4571); X2CrNiMoTi 17-12-2 (1.4404) + стеллит
4a Твердое седло X6CrNiMoTi 17-12-2 (1.4571); X2CrNiMoTi 17-12-2 (1.4404) + стеллит
4b Мягкое седло X6CrNiMoTi 17-12-2 + PTFE; X2CrNiMoTi 17-12-2 + PTFE
5 Винтовая заглушка X6CrNiMoTi 17-12-2 (1.4571)
6 Вал
7 Направляющая втулка для заглушки X6CrNiMoTi 17-12-2 (1.4571) + CrN
8 Направляющая втулка для вала X6CrNiMoTi 17-12-2 + PTFE
9 Уплотнительный комплект PTFE-V; PTFE + ГРАФИТ; ГРАФИТ
10a, 10b Уплотнительные кольца FKM
11 Кольцо для очистки VMQ
12 Пружина 12R10 (SANDVIK)
13 Втулка-проставка X6CrNiMoTi 17-12-2 (1.4571)
14 Смазочная втулка
15 Ведомая втулка
16 Нажимной рычаг X6CrNiMoTi 17-12-2 (1.4571); GX5CrNiMo 19-11-2 (1.4408)
17 Цилиндрический штифт X6CrNiMoTi 17-12-2 (1.4571)
18 Конический штифт
19 Шпилька 8.8; A4-70
20 Гайка A4-70  

«ЕМК - QAZAQ» напрямую сотрудничает с производителями и гарантирует качество поставляемого проката и его соответствие нормам регламентирующего стандарта.

Мы рады предложить вам следующие условия оплаты вашего заказа:

  • предоплата. Полная оплата должна быть завершена до начала производства/поставки;

  • оплата по факту поставки: Сумма заказа должна быть оплачена в течение определенного срока, заключенного в договоре между двумя сторонами, после фактической поставки товаров/оказания услуг;

  • отсроченная оплата. Мы предоставляем вам возможность отсрочки оплаты на срок, заключенный в договоре между двумя сторонами, после даты выставления счета;

  • аккредитив. Мы готовы принять оплату через банковский аккредитив по условиям, согласованным сторонами.

На сегодняшний день наша компания реализует следующие способы транспортировки:

  • автоперевозки (тентованные фуры, негабаритные платформы, телескопические платформы, трубовоз, пирамиды);

  • железнодорожная доставка (контейнеры 20’,40’,45’ DC, HQ, платформы для негабаритных по ширине и длине грузов, вагоны разных типов;

  • морские перевозки (контейнеры 20’,40’,45’ DC, HQ, OT, балком на судне);
  • авиаперелеты. Доставка регулярными и чартерными рейсами (генеральные, попутные, сборные отправки).

Преимущества нашей логистики

  • Отгрузка металлопроката круглый год вне зависимости от погодных условий
  • Защита материалов от воздействиям окружающей среды
  • Удобное расположение складов и мест хранения
  • Получите коммерческое предложение со стоимостью и сроками

    Звоните +7 (727) 339-57-48 или оставьте заявку и мы перезвоним Вам!

    Коммерческое предложение

    Заказать звонок

    Укажите свой контактный телефон, и мы перезвоним вам!

    Отправить заявку
    Прикрепить свои файлы